永久磁石、検出コイルを内蔵した発電型。
歯車の歯先などに近接させ、回転速度に比例した周波数信号を取り出します。
センサは一体加工された密閉構造でIP67等級です。


自己発電タイプで、電源が不要です
出力電圧は原理上、検出周波数に比例しますが、
信頼性向上のため不必要な電圧上昇を抑制しています
高速域だけ計測する場合、ギャップを大きくしても実用動作が可能です
センサ検出面:密閉一体構造の金属ケース
ケーブル:独自の引出し技術コニカルプレスTM

センサ検出面/コニカルプレスTM
コネクタ不要で高信頼
速度をCANに変換
| 速度→CAN |
歯車センサと、計測器/信号変換器で
|





| 名称 | 発電型電磁ピックアップ | ||
| 型式 | GP12-50 GP12S-50 [コネクタ付] |
GP12-120 GP12S-120 [コネクタ付] |
GP16-50 |
| 直流抵抗値 | 2.1kΩ(TYP) | ||
| インピーダンス | 2.8kΩ [f=1kHz, m1 ,GAP0.5mm](TYP) | ||
| 出力電圧 | 2.0Vp-p [f=1kHz, GAP0.5mm, m1, RL10kΩ](TYP) 0.5Vp-p [f=1kHz, GAP1.0mm, m1, RL10kΩ](TYP) 2.4Vp-p [f=1kHz, GAP0.5mm, m1, RL∞Ω](TYP) 0.6Vp-p [f=1kHz, GAP1.0mm, m1, RL∞Ω](TYP) f:周波数 GAP:エアーギャップ(歯先とセンサの距離)m:モジュール(直径/歯数) |
||
| 検出可能周波数 | 220Hz - 50kHz [GAP0.5mm、m1、RL10kΩ、出力 0.5Vp-p以上] | ||
| 検出歯車 | モジュールm =1-3 歯幅3mm以上 歯型インボリュート 材質:磁性体[S45C 機械構造用炭素鋼 (JIS G4051)など] | ||
| 使用温度範囲 | -20℃ 〜 +100℃ | ||
| 絶縁抵抗 | 50MΩ以上(DC500Vメガーにてケーブル一括とケース間) | ||
| 耐電圧 | AC500V 50/60Hz 1min ケーブル一括とケース間 | ||
| 耐振動 | JIS C 60068-2-6 (旧JIS C 0040)[振動数範囲 10-55Hz、複振幅1.5mm、掃引時間5分、掃引回数X,Y,Z 各方向20回,計60回] | ||
| 耐衝撃 | JIS C 60068-2-32 (旧JIS C 0044)[落下床面コンクリート、 落下高さ 1m・各2回] | ||
| 磁石極性 | N極 | ||
| 出力発電極性 | 磁性体がセンサ先端部に接近するとOUTPUT(+)にプラス出力 リード線(赤)+/(白)- BNCコネクタは中心コンタクトにプラス出力 | ||
| 質量*1 | 約100g:GP12-50 約115g:GP12S-50 |
約135g:GP12-120 約150g:GP12S-120 |
約135g |
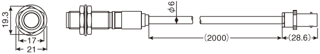
| 外形寸法 | M12xL58 [1mmピッチ] |
M12xL130 [1mmピッチ] |
M16xL58 [1mmピッチ] |
| ケース材質 | 黄銅(ニッケルメッキ) | ||
| ケーブル | 2m PVC 2芯シールドケーブル | ||
| 付属品 | ナット2個、歯付座金1個 | ||
| 保護等級 | IP67 | ||

赤 OUTPUT +
白 OUTPUT -
シールド:本体とは絶縁
[A] M12 P=1ねじ
[B] 付属ナット・歯付座金
[C] ケーブル

BNCコネクタ メス
中心コンタクト +
シールド:本体とは絶縁

赤 OUTPUT +
白 OUTPUT -
シールド:本体とは絶縁
[A] M12 P=1ねじ
[B] 付属ナット・歯付座金
[C] ケーブル

BNCコネクタ メス
中心コンタクト +
シールド:本体とは絶縁

赤 OUTPUT +
白 OUTPUT -
シールド:本体とは絶縁
[A] M16 P=1ねじ
[B] 付属ナット・歯付座金
[C] ケーブル
|
| 延長ケーブル型式 | ケーブル端 | ||
| 全長 1.5m | |||
| CSS-BB(BNC-BNC) | a BNC HOT b BNC GND |
||
![]() |
|||
| BNC オス | BNC オス | ||
| CSS-BC(BNC-クリップ) | 赤 SIG 黒 シールド |
||
![]() |
|||
| BNC オス | ワニ口クリップ | ||
| CSS-AB(BNC-Y端子) | 赤 SIG 黒 シールド |
||
![]() |
|||
| BNC オス | Y型圧着端子1.25Y-3 | ||
ギアセンサと、弊社製F/Vコンバータや速度計、高速パルスカウンタなどを組み合わせて、回転速度や角度などのリアルタイム計測が可能になるほか、さまざまなメリットがあります。
F/Vコンバータ
![]() |
速度計
![]() ![]() ![]() |
信号変換器
![]() ![]() ![]() |
高速アナログパルスカウンタ
![]() |
カウンタ
![]() ![]() ![]() |
信号変換器
![]() ![]() ![]() |
![]() |
| > 製品ページへ |
応答 0 - 20kHz
温度 -20 〜 +105℃
電源 DC4.5 - 25(17)V
出力回路
セミオープンコレクタ*1
ラインドライバ
差動(平衡)CMOSロジック*2
0Hzから検出し、ジッタ抑制技術により正確な回転計測が可能です
ラインドライバ出力タイプは、配線が長い環境にも対応します
電源逆接続保護回路を搭載し、作業ミスによる故障も防ぎます
![]() |
| > 製品ページへ |
応答 0 - 15kHz
温度 -20 〜 +80℃
電源 DC4.5 - 25V
出力回路
セミオープンコレクタ*1
汎用センサとして使いやすさを追求
出力回路は不平衡で、センサ電源電圧にほぼ同等の出力電圧が得られます
信号受端のプルアップ電圧がセンサ出力より高くても、そのまま接続できるよう、セミオープンコレクタ出力回路を装備
![]() |
| > 製品ページへ |
応答 10 - 30kHz
温度 -40 〜 +150℃
電源 DC5 - 12V
出力回路
オープンコレクタ
アンプ内蔵、高温(150℃)で使用可能
![]() |
| > 製品ページへ |
応答 0 - 15kHz
温度
-40 〜 +140℃ (RFP16A 電源15V未満)
-40 〜 +126℃ (RFP16A 電源15V以上)
-20 〜 +80℃ (RFP16D)
電源 DC9 - 25V
出力回路
セミオープンコレクタ*1
(A/B相 または 速度/方向判別信号)
1本で正逆両方向を検知。穴加工や取付調整などの作業削減
*m1/1.5/2対応/インボリュート歯車検証済
![]() |
| > 製品ページへ |
応答 220 - 50kHz
温度 -20 〜 +100℃
電源 電源不要
出力回路
速度に比例した電圧出力*3
0.5Vp-p以上
磁石と検出コイルの自己発電型。電源不要
歯車の歯先などに近接し、回転速度に比例した周波数信号を出力します
*1 セミオープンコレクタ(オープンコレクタ+プルアップ):は、当社独自の出力回路で、信号受端のプルアップ電圧がセンサ電源電圧より高くてもそのまま接続できます。
単なるオープンコレクタと異なり、センサ電源電圧に近い電圧のパルス出力が得られます。
*2 差動(平衡)CMOSロジックは、不平衡信号として使用可能です。平衡信号で使用する場合、電源電圧と出力電圧仕様をご確認お願いいたします。
*3 GPタイプの出力電圧は原理上、速度に比例しますが、GPタイプは信頼性向上のため、出力の不必要な上昇を防いでいます。